DC1500V conexión de la serie de la rama del panel solar
* TUV conector de rama aprobado
* Compatible con MC4 conector
* baja resistencia de contacto
* IP68 clase de protección
* fácil de instalar
* conexión estable & bajo costo de mantenimiento
* adecuado para entornos hostiles al aire libre


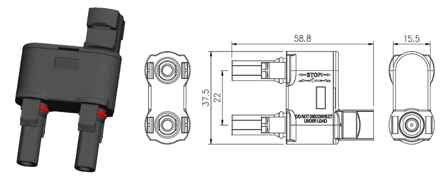
| material de aislamiento | EPI | grado de seguridad | ii |
| Corriente nominal | 35A | clase de llama | UL94-V0 |
| clasificado lmpulse voltaje | 12KV | tipo de instalación | (F1) Exterior, resistente a los rayos UV (F1) |
| voltaje nominal | 1500VDC | Rango de temperatura ambiente | -40 ℃ ... + 85 ℃ (IEC) |
| voltaje de prueba | 8 kV (50 Hz, 1 minuto) | temperatura límite superior | 110 ℃ (IEC) |
| resistencia de contacto | <0,35 mΏ | Sobretensión categoría / Contaminación la licenciatura | CATІІІ / 2 |
| material de contacto | Cobre, estañado | clasificado lmpulse voltaje | 16kV |
| grado de protección | IP68 | aprobación regulatoria | TUV / CE (IEC62852: 2014) |
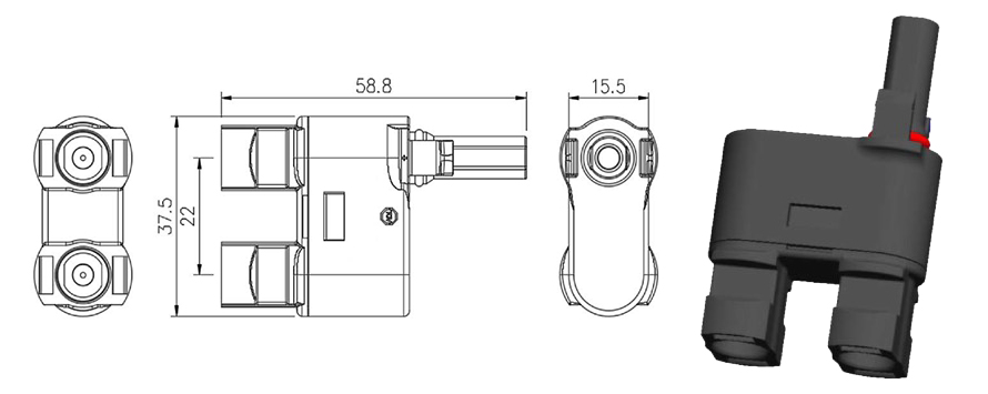
conector de rama solar 1500VDC 3en1:


| material de aislamiento | EPI | grado de seguridad | ii |
| Corriente nominal | 35A | clase de llama | UL94-V0 |
| clasificado lmpulse voltaje | 12KV | tipo de instalación | (F1) Exterior, resistente a los rayos UV (F1) |
| voltaje nominal | 1500VDC | Rango de temperatura ambiente | -40 ℃ ... + 85 ℃ (IEC) |
| voltaje de prueba | 8 kV (50 Hz, 1 minuto) | temperatura límite superior | 110 ℃ (IEC) |
| resistencia de contacto | <0,25 mΏ | Sobretensión categoría / Contaminación la licenciatura | CATІІІ / 2 |
| material de contacto | Cobre, estañado | clasificado lmpulse voltaje | 16kV |
| grado de protección | IP68 | aprobación regulatoria | TUV / CE (IEC62852: 2014) |
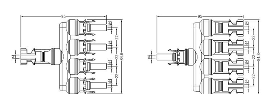
conector de rama solar 1500VDC 4en1:

| yo nsulation material | EPI | grado de seguridad | ii |
| Corriente nominal | 35A | clase de llama | UL94-V0 |
| clasificado lmpulse voltaje | 12KV | tipo de instalación | (F1) Exterior, resistente a los rayos UV (F1) |
| voltaje nominal | 1500VDC | Rango de temperatura ambiente | -40 ℃ ... + 85 ℃ (IEC) |
| voltaje de prueba | 8 kV (50 Hz, 1 minuto) | temperatura límite superior | 110 ℃ (IEC) |
| resistencia de contacto | <0,35 mΏ | Sobretensión categoría / Contaminación la licenciatura | CATІІІ / 2 |
| material de contacto | Cobre, estañado | clasificado lmpulse voltaje | 16kV |
| grado de protección | IP68 | aprobación regulatoria | TUV / CE (IEC62852: 2014) |
embalaje & Entrega:
Para garantizar mejor la seguridad de su se proporcionarán servicios de embalaje profesionales, ecológicos, convenientes y eficientes.

aplicación Escenario:

global Exposiciones:

empresa Perfil:
Dom k EAN es una empresa de energía solar de rápido crecimiento, así como un proveedor de soluciones llave en mano en China. cubierta de productos PV módulos, cables solares, cables de extensión solares, panel solar para uso doméstico, rama de panel solar Conector, inversores etc productos solares .SUNKEAN se compromete a brindar las mejores soluciones para usuarios, instaladores, inversionistas y todos los grupos de interés Nosotros siempre asume la responsabilidad de cliente demandas. Nosotros hacemos nuestro esfuerzo por innovaciones y avances.
Preguntas frecuentes:
P: Cómo podría obtengo la muestra ?
A: Nosotros tienen diferentes tipos de XLPE aislamiento pv cable solar, cable fotovoltaico, cable solar xlpe en stock, puede requerir muestras para comprobar nuestra calidad. son gratis siempre, usted sólo hay que pagar los gastos de mensajería.
P: Cómo ¿Cuál es el tiempo de entrega?
A1) Para Muestra: 1-3 Días;
A2) Para pequeño Pedidos: 3-10 Días;
A3) Para misa Pedidos: 15-20 Días;
P: Qué es tu condiciones de pago ?
A: Pago <= 1000USD, 100 % por adelantado. Pago> = 1000USD, 30 % T / T por adelantado, saldo antes del envío o en contra B / L.
Si usted es un usuario final, podemos ofrecerle información más detallada. Por favor, si usted tiene alguna pregunta o inquietud sobre el tiempo de envío y la entrega, usted puede solicitar nuestros productos profesionales asesor.

















